• Express Lieferung
  • Qualität made in Germany
  • preiswertes Sortiment
  • 03493 / 3498362
  • d.hampel.74@web.de
  1. Startseite
  2. Schließbleche
  3. Schließbleche
  4. 9M48 Schließblech
Art-Nr.9M48
MarkeIKON

9M48 Schließblech

IKON
Lieferzeit: ca. 8 - 14 Arbeitstage **
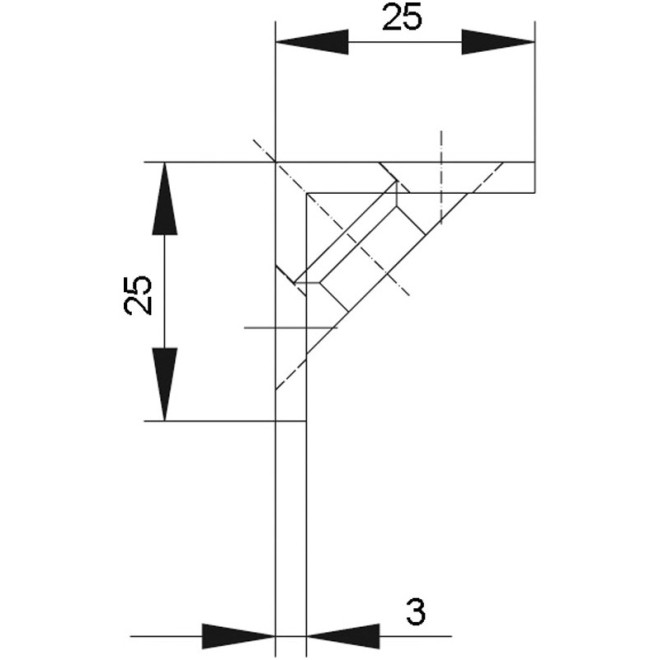
9M48 Winkel-Sicherheitsschließblech für überfälzte Türen Mit drei Ankern - Winkelkante kantig
9M48 Winkel-Sicherheitsschließblech für überfälzte Türen Mit drei Ankern - Winkelkante kantig   Produktbeschreibung:
  • Für überfälzte Türen geeignet
  • Gesamtlänge Schließblech 300mm
  • Abmessung Riegelseite = 25mm
  • Abmessung Schließblechstärke = 3mm
  • In der Abmessung 300x25x25mm erhältlich
  • Mit vier Anschraublochungen
  • Material: Stahl
  Lieferumfang:
  • 1 Sicherheitsschließblech mit Befestigungsschrauben
  • 3 Maueranker mit Kunststoffverschlussstopfen

Kunden kauften auch folgende Produkte

Wir empfehlen auch

...